球閥


氣動不銹鋼球閥
產品品牌:軼博羅
產品型號:Q641-16P
公稱通徑:DN25~DN800
公稱壓力:PN16
材質:不銹鋼
連接方式:法蘭
適用溫度:-30℃—250℃
適用介質:水、蒸汽、油、酸堿液體
氣動執行器:雙作用、單作用
用途:用于各種介質的截止、切斷、流量調節等
不銹鋼氣動球閥產品概述
氣動不銹鋼球閥的工作原理是靠旋轉閥戀來使閥門暢通或閉塞。球閥開關輕便,體積小,可以做成很大口徑,密封可靠,結構 簡單,維修方便,密封面與球面常在閉合狀態,不易被介質沖蝕,在各行業得到廣泛的應用。球閥在管路中主要用來做切斷、分配和改變介質的流動方向。廣泛應用于石油、化工、發電、造紙、原子能、航空、火箭等各部門,以及人們日常生活中。
不銹鋼氣動球閥特征
1. 流體阻力小,其阻力系數與同長度的管段相等。
2. 結構簡單、體積小、重量輕。
3. 緊密可靠,目前球閥的密封面材料廣泛使用塑料、密封性好,在真空系統中也已廣泛使用。
4. 操作方便,開閉迅速,從全開到全關只要旋轉90°,便于遠距離的控制。
5. 維修方便,球閥結構簡單,密封圈一般都是活動的,拆卸更換都比較方便。
6. 在全開或全閉時,球體和閥座的密封面與介質隔離,介質通過時,不會引起閥門密封面的侵蝕。
7. 適用范圍廣,通徑從小到幾毫米,大到幾米,從高真空至高壓力都可應用。
不銹鋼氣動球閥應用標準
1、設計與制造:GB/T12237, ANSI B16.34, API 608
2、結構長度:GB/T12221,ASME B16.10, JIS B2002
3、法蘭尺寸 : GB/T9113,ASME B16.5, JIS B2212/JIS B2214
4、檢驗與試驗 :GB/T13927
5、防火測試: API 607 4th 1993
6、壁厚:ASME B16.34
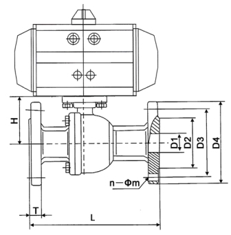
| 通徑(mm) | 英寸 | 壓力(Mpa) | 尺寸(mm) | |||||||
| L | D1 | D2 | D3 | D4 | T | H | n-¢m | |||
| 15 | 1/2 |
1.6
2.5
4.0
|
130 | 15 | 46 | 65 | 95 | 14 | 48 | 4-14 |
| 20 | 3/4 | 130 | 20 | 56 | 75 | 105 | 16 | 53 | 4-14 | |
| 25 | 1 | 140 | 25 | 65 | 85 | 115 | 16 | 58 | 4-14 | |
| 32 | 1 1/4 | 165 | 32 | 76 | 100 | 140 | 18 | 71 | 4-18 | |
| 40 | 1 1/2 | 165 | 38 | 84 | 110 | 150 | 18 | 76 | 4-18 | |
| 50 | 2 | 203 | 50 | 99 | 125 | 165 | 20 | 85 | 4-18 | |
| 65 | 2 1/2 | 1.6 | 222 | 64 | 118 | 145 | 185 | 20 | 101.5 |
4-18
8-18
|
| 2.5/4.0 | 22 | |||||||||
| 80 | 3 | 1.6 | 241 | 76 | 132 | 160 | 200 | 20 | 111.5 |
8-18
8-18
|
| 2.5/4.0 | 24 | |||||||||
| 100 | 4 | 1.6 | 305 | 100 | 156 | 180 | 220 | 22 | 140 |
8-18
8-22
|
| 2.5/4.0 | 190 | 235 | 24 | |||||||
| 125 | 5 | 1.6 | 356 | 125 | 184 | 210 | 250 | 22 | 183 |
8-18
8-26
|
| 2.5/4.0 | 220 | 270 | 26 | |||||||
| 150 | 6 | 1.6 | 394 | 150 | 211 | 240 | 285 | 24 | 201 |
8-22
8-26
|
| 2.5/4.0 | 250 | 300 | 28 | |||||||
| 200 | 8 | 1.6 | 457 | 200 | 266 | 295 | 340 | 24 | 252 |
12-22
12-26
12-30
|
| 2.5 | 274 | 310 | 360 | 30 | ||||||
| 4.0 | 284 | 320 | 375 | 24 | ||||||
| 250 | 10 | 1.6 | 533 | 250 | 319 | 355 | 405 | 26 | 310 |
12-26
12-30
12-33
|
| 2.5 | 330 | 370 | 425 | 32 | ||||||
| 4.0 | 345 | 385 | 450 |
38 |
||||||
案例展示更多>>

0551-65579181
客戶案例
©2015-2019 合肥軼博羅工控設備有限公司 皖ICP備13007160號-2 技術支持:安徽睿成網絡
友情鏈接: 安徽工作服 油浴鍋生產廠家 冷凍濃縮儀 酒石酸氫鉀生產廠家 噴漆廠房廢氣處理設備 噴霧冷卻塔風機 彩色溫控儀 合肥情感咨詢 瑞士魚牌VALLORBE銼刀 鬼屋制作安裝 江蘇電動叉車